步進電機不是恒轉矩電機,運行轉速越高輸出轉矩會越小,所以關注電機保持轉矩參數的同時更應當關注在實際,工作轉速下電機的輸出轉矩(可參考動態力矩曲線圖);并且我們建議預留1.5倍的余量,以免出現過載情況下步進電機丟步的現象。
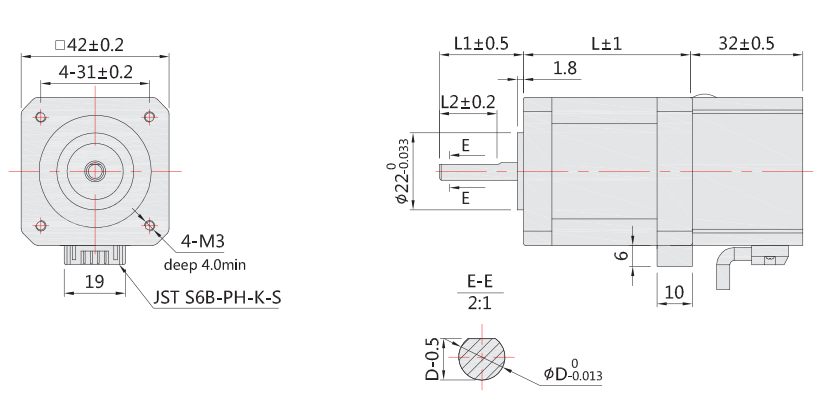
型號 | 保持力矩 (N.m) | 額定電流 (A) | 轉動慣量 (g.cm2) | 機身長 (mm) | 推薦驅動器 |
SMB1703 | 0.43 | 1.7 | 56.0 | 41(L)+32 | S-224D 12-48VDC |
SMB1704 | 0.53 | 2.0 | 77.0 | 49(L)+32 | |
SMB1705 | 0.72 | 2.0 | 123.0 | 61(L)+32 |
以上列表的“推薦驅動器”為脈沖型步進電機驅動器,還可以為客戶提供:
總線型步進驅動器(RS485、CANopen、EtherCAT等通訊控制);智能型步進驅動器(電位器調速、內置PLC編程等功能)。




上一款產品:86mm五相步進電機
下一款產品:57mm二相剎車步進電機