步進電機不是恒轉矩電機,運行轉速越高輸出轉矩會越小,所以關注電機保持轉矩參數的同時更應當關注在實際,工作轉速下電機的輸出轉矩(可參考動態力矩曲線圖);并且我們建議預留1.5倍的余量,以免出現過載情況下步進電機丟步的現象。
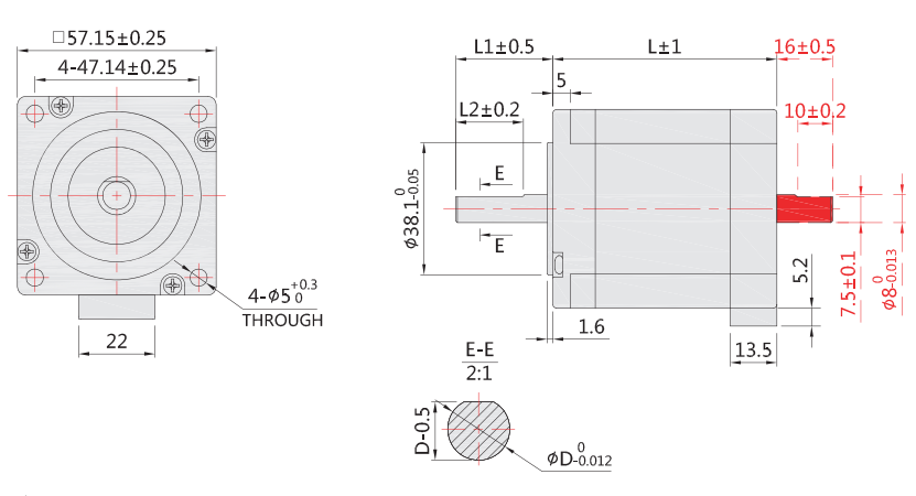
型號 | 保持力矩 (N.m) | 額定電流 (A) | 轉動慣量 (g.cm2) | 機身長 (mm) | 推薦驅動器 |
SMH2301-[2] | 0.87 | 2.8 | 145 | ≤42.0 | S-245D 24~48VDC |
SMH2302-[2] | 1.41 | 2.8 | 280 | ≤56.0 | |
SMH2303-[2] | 1.62 | 3.5 | 350 | ≤65.0 | |
SMH2304-[2] | 2.40 | 3.5 | 520 | ≤80.0 |
1、型號中的[2]:2為雙出軸;單出軸省略。
2、以上列表的“推薦驅動器”為脈沖型步進電機驅動器,還可以為客戶提供:總線型步進驅動器(RS485、CANopen、EtherCAT等通訊控制);智能型步進驅動器(電位器調速、內置PLC編程等功能)。





上一款產品:43mm二相開環步進電機
下一款產品:57mm二相開環步進電機