1、絲桿前后往復運動;
2、最大推力900N;
3、簡化結構設計,降低結構成本;
4、機身長度、絲桿長度、導程可根據客戶要求定制;
5、應用于醫療設備、半導體設備、閥門控制、X-Y工作臺、手持式儀器或任何需要精確直線運動的地方。
15817488109
命名規則:
23D4530H1-X-□□□
規格 | 說明 |
23 | 電機外徑:57mm |
D | 電機類型:電動缸 |
45 | 機身長度:45mm |
30 | 額定電流:3A |
H1 | 絲桿代碼 |
□ | 配件代碼:E1(1000線編碼器)、E2(2000線編碼器)、 B(剎車)、C(一體式) |
□ | 絲桿長度:□mm |
□□□ | 絲桿端部加工定制表:G光軸、A一字槽、M內螺紋 |
電機參數:
產品型號 | 電壓 | 額定 電流 | 保持 力矩 | 機身長 | 推薦 驅動器 |
23D4530H1-X-□□□ | 2.3V | 3A | 0.7N.m | 45mm | 脈沖型:S-245D/S-266D |
23D5530H1-X-□□□ | 3V | 3A | 0.9N.m | 54mm | |
23D6540H1-X-□□□ | 3.1V | 4A | 1.5N.m | 65mm | |
23D7540H1-X-□□□ | 3.8V | 4A | 1.8N.m | 76mm |
漢德保電機可根據客戶要求定制:繞線參數、出線方式。
漢德保其他類型驅動器有:功能型(開關型、模擬量型)、總線型(RS485、CANopen、EtherCAT等)
絲桿參數:
產品型號 | 絲桿直徑(mm) | 導程(mm) | 步長1.8°(mm) | 斷電自鎖力(N) |
H2 | 9.525 | 1.27 | 0.00635 | 800 |
H5 | 2.54 | 0.0127 | 300 | |
H8 | 5.08 | 0.0254 | 90 | |
H11 | 10.16 | 0.0508 | 30 | |
H13 | 25.4 | 0.127 | 6 | |
J1 | 10 | 2 | 0.01 | 400 |
J2 | 4 | 0.02 | 140 | |
J3 | 10 | 0.05 | 35 | |
J4 | 20 | 0.1 | 10 |
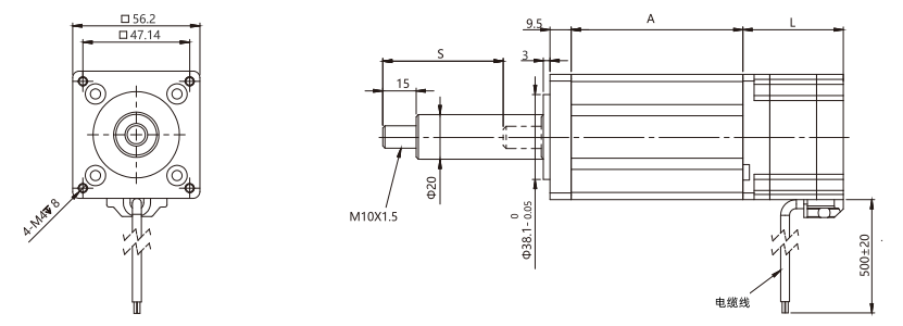
行程參數:
行程S(mm) | 尺寸A(mm) |
25 | 52 |
50 | 77 |
75 | 102 |
100 | 127 |
150 | 177 |
200 | 227 |
300 | 327 |
400 | 427 |
500 | 527 |

請注意:
1、絲桿端頭可根據客戶要求加工。
2、絲桿直徑、導程可根據客戶要求定制。
3、電機可選配剎車和編碼器。絲桿長度可定制。
安裝方法:
1、請盡量考慮散熱線、防止振動的問題,將電機牢牢地固定在強韌的金屬面上。
2、務必用電機前端蓋的安裝凸臺定位,并注意公差配合,嚴格保證電機輸出軸與負載的同心度。

以上曲線是用S-245D/S-266D雙極性恒流斬波步進驅動器,在24VDC條件下進行測試的。不同測試條件與運行工況將導致性能有所差異,合理的加減速將有助于提高電機性能,此處僅作參考,為確保使用壽命和可靠性,建議選用產品時留有50%以上余量。
上一款產品:57mm固定軸式直線絲桿閉環步進電機
下一款產品:60mm外部驅動式直線絲桿步進電機