相數:3相
工作類型:連續
絕緣等級:B級
防護等級:IP40
旋轉方向:順時針方向(CW)
可加配行星減速機、編碼器
15817488109
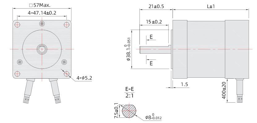
電機型號 | 輸出功率 | 電源電壓 | 額定轉矩 | 額定轉速 | 機身長MAX | 極數 | 適配驅動 |
5701BS-30L2 | 25 | 24 | 0.08 | 3000 | 42 | 4 | DBL-2420R |
5702BS-30L2 | 50 | 24 | 0.16 | 3000 | 54 | 4 | |
5703BS-30L2 | 100 | 24 | 0.32 | 3000 | 74 | 4 | |
5704BS-30L2 | 140 | 24 | 0.45 | 3000 | 94 | 4 | |
5705BS-30L2 | 200 | 24 | 0.64 | 3000 | 115 | 4 |
★漢德保還可以為客戶提供:總線型步進驅動器(RS485、CANopen)。
★漢德保還可以為客戶定制:輸出功率、輸入轉速、輸入電壓、輸出軸定制。

注意事項:
1、務必用電機前端蓋的安裝凸臺定位,并注意公差配合,嚴格保證電機輸出軸與負載的同心度。
2、為減少電機振動產生的噪音,務必將電機牢牢地固定在強韌的金屬面上。
3、電機與驅動器連接時,請勿接錯相。
4、在直流無刷電機通電的狀態下不可插撥插頭。
5、直流無刷電機分解后不可再組裝使用。


上一款產品:42mm直流無刷電機
下一款產品:57mm直流無刷電機